A QFN package, short for Quad Flat No-Lead, is a surface-mount integrated circuit package designed for compact layouts and efficient electrical performance. The term QFN meaning refers to a square or rectangular IC package that uses exposed copper pads instead of protruding leads for electrical connection.
Because of its low profile and short signal paths, QFN has become a preferred choice in modern electronics where space efficiency and signal integrity are critical.
What Does QFN Stand For?
A QFN package (Quad Flat No-Lead) is a surface-mount IC package with exposed pads on the underside instead of protruding leads. Electrical connections are made through metallized terminations located on the package bottom perimeter, often combined with a central exposed thermal pad.
From a manufacturing perspective, QFN packages reduce parasitic inductance and resistance while enabling compact PCB layouts. This is why they are widely used in RF devices, power management ICs, microcontrollers, and high-speed digital components.
Key structural characteristics include:
- Flat, leadless body profile
- Bottom-side copper pads for electrical connection
- Optional exposed pad for thermal and ground connection
- Compatibility with standard SMT reflow processes

Types of QFN Packages
QFN packages are available in several structural variations to address different thermal, mechanical, and manufacturing requirements.
Common types include:
- Standard QFN – Flat, no-lead design with perimeter pads and optional exposed thermal pad
- Wettable Flank QFN – Modified sidewalls that allow visible solder fillets for AOI inspection
- Dual-Row QFN – Two rows of pads to support higher pin counts
- Air-Cavity QFN – Used in RF and microwave designs to reduce dielectric loss
- Pull-Back QFN – Pads recessed slightly inward to improve solder joint reliability
Each QFN package type balances solderability, inspection capability, and electrical performance differently, which directly impacts PCB assembly strategy.
Advantages of QFN Packages
The popularity of the QFN package is driven by several clear technical advantages.
Key benefits include:
- Smaller footprint compared to QFP and other leaded packages
- Excellent thermal performance via exposed center pad
- Low electrical parasitics, improving signal integrity
- Improved mechanical stability due to large solder contact area
- Reduced EMI, particularly in high-frequency designs
For dense layouts and performance-critical circuits, QFN often delivers measurable gains over traditional packages.

Disadvantages of QFN Packages
Despite its strengths, the QFN package also introduces specific manufacturing challenges that must be addressed during design and assembly.
Limitations include:
- Difficult visual inspection since joints are hidden underneath
- Higher assembly sensitivity to stencil design and reflow profile
- Rework complexity, especially for center thermal pads
- Less forgiving to PCB flatness issues
These drawbacks do not make QFN inferior, but they do demand tighter process control compared to leaded alternatives.
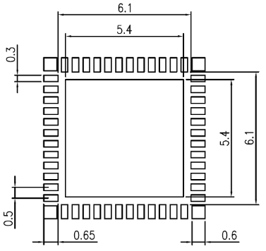
QFN Package Sizes
QFN package sizes are standardized by body dimensions, pin count, and pad pitch, allowing designers to balance I/O density, thermal performance, and routing complexity. While QFN packages are often described simply as “small” or “compact,” the available size range is far broader than many engineers expect.
Common Standard QFN Body Sizes
The following QFN package sizes are widely used across consumer, industrial, and automotive electronics:
- 2 × 2 mm – Ultra-compact sensors, low-power analog ICs
- 3 × 3 mm – LDOs, small MCUs, interface ICs
- 4 × 4 mm – Mixed-signal ICs, power management devices
- 5 × 5 mm – MCUs, RF transceivers, motor drivers
- 6 × 6 mm – Connectivity chips, signal processors
- 7 × 7 mm – High-pin-count controllers, automotive ICs
- 8 × 8 mm – Power ICs with enhanced thermal needs
- 10 × 10 mm – High-density logic, networking ICs
- 12 × 12 mm and larger – RF front ends, industrial control ICs
These sizes are typically specified as body size × body size, not including solder fillets.

QFN Package Sizes by Pin Count
Pin count scales with package size and pad pitch. Typical configurations include:
- 8–16 pins – 2 × 2 mm to 3 × 3 mm
- 20–32 pins – 4 × 4 mm to 5 × 5 mm
- 40–64 pins – 6 × 6 mm to 7 × 7 mm
- 64–100+ pins – 8 × 8 mm to 10 × 10 mm and above
Higher pin counts often use dual-row QFN designs to maintain reasonable pad pitch while increasing I/O density.
Typical QFN Pad Pitch Options
Pad pitch directly affects PCB routing and soldering tolerance:
- 0.4 mm – Ultra-fine pitch, HDI recommended
- 0.5 mm – Common for compact QFN packages
- 0.65 mm – Easier routing and assembly
- 0.8 mm – Larger QFN formats with higher power handling
Pad pitch usually ranges from 0.4 mm to 0.65 mm, which directly affects stencil thickness, solder paste selection, and placement accuracy.
How to Solder a QFN Package on PCB?
Soldering a QFN package requires controlled SMT processes rather than manual techniques.
A standard workflow includes:
1. Solder paste printing using a precisely designed stencil
2. Accurate pick-and-place alignment with vision correction
3. Reflow soldering using a controlled temperature profile
4. Post-reflow inspection, typically X-ray rather than AOI
Hand soldering is generally impractical for QFN due to the hidden pads and thermal mass of the exposed center pad.
Key Considerations in QFN Package Soldering
- Pad design should match QFN pitches, with the exposed pad extended 0–0.15 mm and 40–60% via opening to balance solder volume and heat dissipation.
- Moisture control requires pre-baking QFN components (e.g., 125 °C for 4 hours) to avoid popcorn defects during reflow.
- Stencil thickness and aperture design should be optimized (≤0.12 mm, segmented thermal pad openings) to improve paste release and reduce voiding.
- Reflow profiling must tightly control ramp rate, soak time, and peak temperature to achieve complete solder activation without component floating.
- Manual soldering, if necessary, should use flux-assisted hot-air heating with uniform thermal distribution to avoid localized damage.
- Inspection methods should combine edge wetting checks with X-ray analysis to identify hidden solder defects under the package.
How Are QFN Packages Made?
The manufacturing process of a QFN package differs from leaded packages such as QFP.
Typical steps include:
- Leadframe stamping or etching
- Die attach to exposed thermal pad
- Wire bonding to perimeter pads
- Mold encapsulation
- Singulation into individual packages
Because the package relies on a leadframe rather than formed leads, the result is a compact, mechanically robust IC with excellent thermal conduction paths.
QFN Package Applications
QFN packages are widely adopted across industries that demand compact form factors and stable electrical behavior.
Typical applications include:
- Consumer electronics and wearables
- RF and wireless communication modules
- Automotive control units
- Power management ICs
- Industrial sensors and embedded controllers
In many of these applications, QFN replaces QFP specifically to reduce board area and improve performance margins.

What Is a QFP Package and How Does It Differ Structurally?
A QFP (Quad Flat Package) uses gull-wing leads extending outward from all four sides of the package body. These visible leads make inspection easier but introduce longer electrical paths and larger footprints.
While QFP packages were once dominant in microcontrollers and ASICs, their size and lead geometry limit their usefulness in modern compact designs.
Structurally, a QFP package features:
- External leads visible around the perimeter
- Larger pad spacing on the PCB
- Easier manual soldering and optical inspection
- Increased susceptibility to lead damage during handling
What Is the Difference Between QFN and QFP?
The QFN vs QFP comparison is one of the most common questions during IC selection.
Key differences include:
| Aspect | QFN | QFP |
| Leads | No external leads | Gull-wing leads |
| Footprint | Smaller | Larger |
| Thermal performance | Excellent | Moderate |
| Inspection | X-ray required | Visual AOI possible |
| Assembly tolerance | Tighter | More forgiving |
QFP remains attractive for prototypes and low-complexity designs, while QFN is favored in production-level, space-constrained electronics.
How to Choose the Right IC for Your PCB?
Selecting between a QFN package and a QFP package depends on practical design priorities rather than preference alone.
Consider QFN if:
- PCB space is limited
- Thermal dissipation is critical
- High-speed or RF signals are involved
Consider QFP if:
- Easy inspection and rework are required
- Assembly capability is limited
- The design is still in early prototyping
Matching the package type to your manufacturing maturity is often more important than theoretical performance advantages.
FAQ
1. What does QFN mean in electronics?
QFN means Quad Flat No-Lead, referring to an IC package with bottom-side pads and no protruding leads.
2. Is QFN better than QFP?
QFN is not universally better, but it offers superior size efficiency and thermal performance compared to QFP.
3. Can QFN be hand-soldered?
In most cases, no. QFN requires reflow soldering for reliable results.
4. Why does QFN need X-ray inspection?
Because solder joints are hidden beneath the package, visual inspection is not possible.
5. What surface finish works best for QFN?
ENIG and OSP are commonly used due to their flatness and solderability.
Tags: qfn, qfn meaning, qfn package sizes, qfn package, qfn vs qfp, types of qfn packages